RE-100,ESG(SDGs)対応Solar Battery System世界初のEMS – DCDC:DCAC
1)低価格 All-In-Oneで提供
2)Custom 要求に応じたSystemの構築が可能
3)PV Solarの発電量に応じて出力(Demand)のDynamic調整(EMS)
4)EMSによる工場のPPAの自由で低価格なSolar-battery systemの構築
5)EMS によるPPS-VPPの自由なSolar–Battery systemの構築
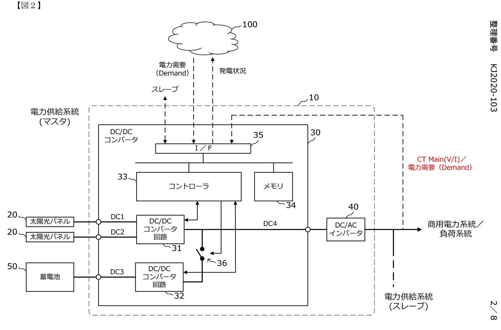
6)PCSの変更は行わない すでに連系されているPCSを選択
DCサイドのコントロール制御を行うことで
PCSの変更を行わずにACの出力制御を行う
7)PPA用DCACの開発をすることによりPPAのニーズに対応
8)VPP aggregatorにも対応可能
PPA とPPS Systemの相違
PPA Off-grid:Blackout 時にも可動をしなくてはならない
PCSの代わりに独自のDCACを開発しAnti-IsLanding 機能を取る
GRIDへのRevers Currentは行わない
工場、事業所のDemandのDemandに応じて

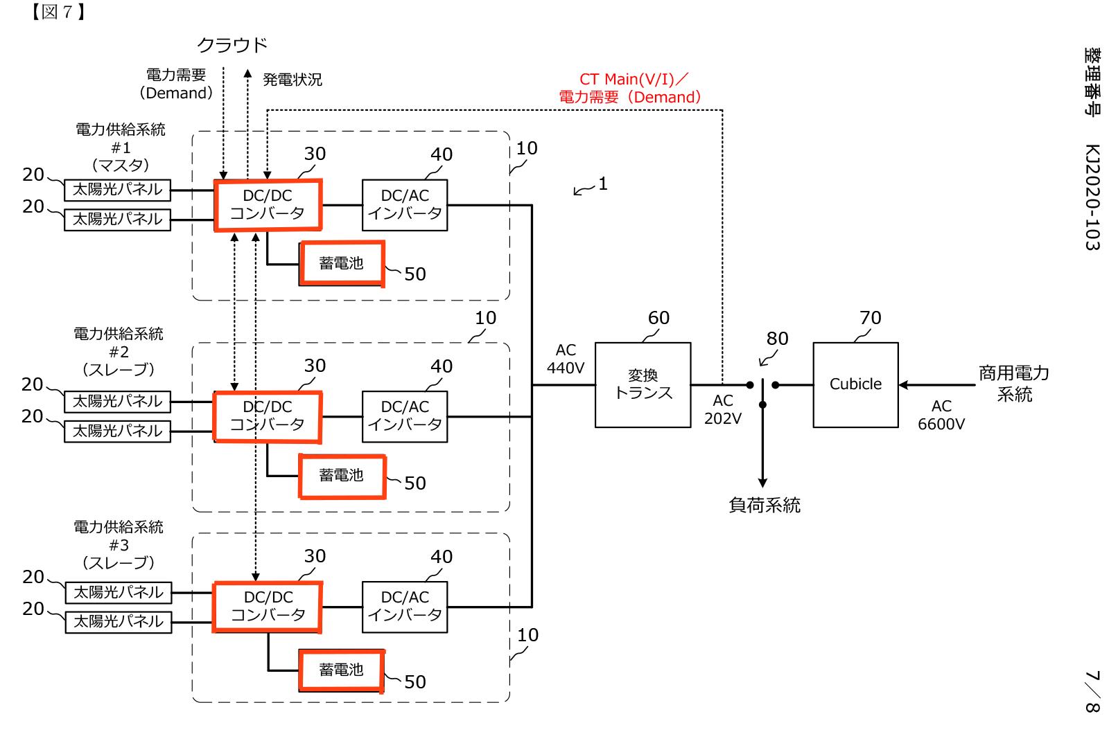
PPS system Block Diagram




